| |
|
| |
【德標波紋管截止閥特點】
1.結構簡單,制造和維修比較方便.
2.工作行程小,啟閉時間短.
3.密封性好,密封面間磨擦力小,壽命較長.
4.零件材料,法蘭和對焊尺寸,可根據實際工況選配,能滿足各種工程需要.
【德標波紋管截止閥技術標準】
制造標準: DIN EN13709-2003 結構長度: DIN EN1092-1:2002 法蘭標準: DN EN 588-1:1995 試驗標準: DIN EN12266:2003
【德標波紋管截止閥性能規范】
|
公稱壓力(MPa) |
殼體試驗壓力(Mpa) |
密封壓力試驗(Mpa) |
適用溫度(℃) |
適用介質 |
|
1.6 |
2.4 |
1.76 |
HT:-10~300℃ CS:-29~425℃ SS:-59~540℃ |
水 蒸汽 油品 |
|
2.5 |
3.75 |
2.75 |
|
4.0 |
6.0 |
4.4 |
【德標波紋管截止閥注意事項】
1,流體阻力大,開啟和關閉時所需力矩較大. 2,不適用于帶顆粒,粘度較大,易結焦的介質. 3,調節性能較差.無需維護的條件.
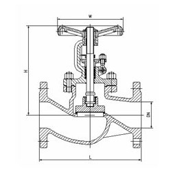
【德標波紋管截止閥結構圖】
 
【德標波紋管截止閥零部件材料】
| 閥體/閥蓋 |
閥桿 |
閥瓣 |
螺栓 |
螺母 |
填料Packing |
墊片Gasket |
|
GG25 |
13Cr |
GG25 |
B7 |
2H |
石墨 |
石墨+304 |
|
WCB |
13Cr |
WCB |
B7 |
2H |
石墨 |
石墨+304 |
|
CF8 |
F304 |
CF8 |
B8 |
8 |
石墨 石墨 |
石墨+304 石墨+304 |
|
CF8M |
F316 |
CF8M |
B8 |
8 |
石墨 |
石墨+304 |
【德標波紋管截止閥規格尺寸】
| Size |
15 |
20 |
25 |
32 |
40 |
50 |
65 |
80 |
100 |
125 |
150 |
200 |
250 |
300 |
350 |
400 |
|
L |
PN16 |
130 |
150 |
160 |
180 |
200 |
230 |
290 |
310 |
350 |
400 |
480 |
600 |
730 |
850 |
980 |
1100 |
|
PN25 |
130 |
150 |
160 |
180 |
200 |
230 |
290 |
310 |
350 |
400 |
480 |
600 |
730 |
850 |
980 |
1100 |
|
PN40 |
130 |
150 |
160 |
180 |
200 |
230 |
290 |
310 |
350 |
400 |
480 |
600 |
730 |
850 |
980 |
1100 |
|
H |
PN16 |
190 |
190 |
195 |
210 |
220 |
230 |
255 |
270 |
360 |
380 |
415 |
530 |
665 |
932 |
992 |
1205 |
|
PN25 |
190 |
190 |
195 |
210 |
220 |
230 |
255 |
270 |
360 |
380 |
427 |
545 |
675 |
940 |
1055 |
1213 |
|
PN40 |
190 |
190 |
195 |
210 |
220 |
230 |
255 |
270 |
360 |
380 |
436 |
562 |
683 |
952 |
1065 |
1225 |
|
W |
PN16 |
120 |
120 |
140 |
140 |
160 |
180 |
180 |
200 |
250 |
300 |
300 |
400 |
520 |
550 |
600 |
650 |
|
PN25 |
120 |
120 |
140 |
140 |
160 |
180 |
180 |
200 |
250 |
300 |
300 |
400 |
520 |
550 |
600 |
650 |
|
PN40 |
120 |
120 |
140 |
140 |
160 |
180 |
180 |
200 |
250 |
300 |
300 |
400 |
520 |
550 |
600 |
650 |
訂貨須知:
一、①德標波紋管截止閥產品名稱與型號②德標波紋管截止閥口徑③德標波紋管截止閥是否帶附件以便我們的為您正確選型。
二、若已經由設計單位選定正鋼閥門德標波紋管截止閥型號,請按德標波紋管截止閥型號直接向我司銷售部訂購。
三、當使用的場合非常重要或環境比較復雜時,請您盡量提供設計圖紙和詳細參數,由我們的正鋼閥門專家為您審核把關。 |
|