【國標鑄鋼截止閥結構特點及用途】
1.全關時手輪按順時針方向旋轉;
When fully closed,the handwheel rotates clockwise.
2.可以安裝在管道的任何位置上,介質從下往上流;
Able to be mounted on any position of the pipeline,the medium flows from down to up.
3.不銹鋼截止閥適用于各類腐蝕性介質的管道上,有良好的防腐性和足夠的強度;
Stainless steel made stop valve is of good anti-corrosive property and enough strength and suitable for various pipelines with corrosive medium.
4.合金鋼截止閥適用于耐高溫的蒸汽、油品管道上,具有耐高溫特點。
Alloy steel made stop valve features high-temperature resistance,suitable for high-temperature steam and oil goods pipelines.
【國標鑄鋼截止閥執行標準】
設計規范:GB/T 12235
結構長度:GB/T 12221
法蘭連接:JB/T 79
試驗與檢驗:JB/T 9002
產品標識:GB/T 12220
供貨規范:JB/T 7928
【國標鑄鋼截止閥主要零部件材料】
| 產品類型Product classification |
零件名稱Part name |
| 閥體、閥蓋Body bonnet |
閥桿Valve stem |
閥瓣Disc |
密封面Sealing face |
閥桿螺母Yoke nut |
填料Packing |
緊固件Fastener |
手輪Handwheel |
| J41(H.Y)-C型 J941(H.Y)-C型 |
25、WCB |
鉻不銹鋼Cr.Stainless steel |
2Cr1325 |
H:不銹鋼Y:鈷基硬質合金鋼H:Stainless steelY:Co-based carbide alloy steel |
鋁青銅Albronze |
柔性石墨Flexible graphite |
優質碳鋼High-grade carbon steel |
可鍛鑄鐵Forgeable cast-iron |
| J41W-P型J941W-P型 |
鉻鎳鈦鋼Cr.Ni.Ti steel |
鉻鎳鈦鋼Cr.Ni.Ti steel |
鉻鎳鈦鋼Cr.Ni.Ti steel |
鉻鎳鈦鋼Cr.Ni.Ti steel |
鋁青銅Albronze |
柔性石墨Flexible graphite |
不銹鋼Stainless steel |
可鍛鑄鐵Forgeable cast-iron |
| J41W-R型 |
鉻鎳鉬鈦鋼Cr.Ni.Mo.Ti steel |
鉻鎳鉬鈦鋼Cr.Ni.Mo.Ti steel |
鉻鎳鉬鈦鋼Cr.Ni.Mo.Ti steel |
鉻鎳鉬鈦鋼Cr.Ni.Mo.Ti steel |
鋁青銅Albronze |
柔性石墨Flexible graphite |
不銹鋼Stainless steel |
可鍛鑄鐵Forgeable cast-iron |
| J41Y-I型J941Y-I型 |
鉻鉬鋼 Cr.Mo steel |
鉻鉬鋼Cr.Mo steel |
合金鋼Alloy steel |
鈷基硬質合金鋼C0-based carbide alloy steel |
鋁青銅Albronze |
柔性石墨Flexible graphite |
合金鋼Alloy steel |
可鍛鑄鐵Forgeable cast-iron |
【國標鑄鋼截止閥試驗壓力】
| 公稱壓力PN(MPa)Nominal pressure |
1.6 |
2.5 |
4.0 |
6.4 |
10.0 |
16.0 |
| 殼體強度試驗Shell strength test |
2.4 |
3.8 |
6.0 |
9.6 |
15 |
24 |
| 上密封試驗Back seal test |
1.8 |
2.8 |
4.4 |
7.0 |
11 |
18 |
| 密封試驗Seal test |
1.8 |
2.8 |
4.4 |
7.0 |
11 |
18 |
【國標鑄鋼截止閥使用范圍】
| 產品類型Product classification |
適用介質Suitable medium |
適用溫度(℃)Suitable temperature |
J41(H.Y)-C型 J941(H.Y)-C型 |
水、蒸汽、油品Water,steam,oilgoods |
≤425℃ ≤450℃ |
J41W-P型 J941W-P型 |
硝酸類Nitric acid |
≤200℃ |
| J41W-R弄 |
醋酸類Acetic acid |
≤200℃ |
J41Y-I型 J941Y-I型 |
水、蒸汽、油品Water,steam,oilgoods |
≤550℃ |
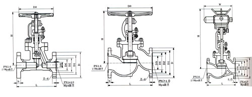
【國標鑄鋼截止閥結構圖】

【國標鑄鋼截止閥主要連接尺寸】
| 公稱通徑DNNominal diameter |
主要外形尺寸和連接尺寸(mm)Main external and connecting dimensions |
重量(kg)Weight |
| L |
D |
D1 |
D2 |
b |
f |
z-d |
H |
D0 |
| J41(H.Y.B)-16C J41W-16P J41W-16R J41Y-16I |
| 10 |
130 |
90 |
60 |
40 |
14 |
2 |
4-14 |
198 |
120 |
4.7 |
| 15 |
130 |
95 |
65 |
45 |
16 |
2 |
4-14 |
218 |
120 |
5.2 |
| 20 |
150 |
105 |
75 |
55 |
16 |
2 |
4-14 |
258 |
140 |
7.1 |
| 25 |
160 |
115 |
85 |
65 |
16 |
2 |
4-14 |
275 |
160 |
7.4 |
| 32 |
180 |
135 |
100 |
78 |
18 |
2 |
4-18 |
280 |
180 |
8.5 |
| 40 |
200 |
145 |
110 |
85 |
18 |
3 |
4-18 |
330 |
200 |
12.5 |
| 50 |
230 |
160 |
125 |
100 |
18 |
3 |
4-18 |
350 |
240 |
20 |
| 65 |
290 |
180 |
145 |
12 |
18 |
3 |
4-18 |
400 |
280 |
25 |
| 80 |
310 |
195 |
160 |
135 |
20 |
3 |
8-18 |
355 |
280 |
35 |
| 100 |
350 |
215 |
180 |
155 |
22 |
3 |
8-18 |
415 |
320 |
50 |
| 125 |
400 |
245 |
210 |
185 |
24 |
3 |
8-18 |
460 |
360 |
75 |
| 150 |
480 |
280 |
240 |
210 |
24 |
3 |
8-23 |
510 |
400 |
100 |
| 200 |
600 |
335 |
295 |
265 |
26 |
3 |
12-23 |
710 |
400 |
210 |
| 250 |
650 |
405 |
355 |
320 |
30 |
3 |
12-23 |
786 |
450 |
446 |
| 300 |
750 |
460 |
410 |
375 |
30 |
3 |
12-23 |
925 |
500 |
648 |
| 公稱通徑DN Nominal diameter |
J41(H.Y.B)-25 J41W-25P J41W-25R J41Y-25I J941(H.Y)-25 J941W-25P J941W-25R J941Y-25I |
| 主要外形尺寸和連接尺寸(mm)Main external and connecting dimensions |
電動裝置 Electric dewice |
重量(kg) Weight |
| L |
D |
D1 |
D2 |
b |
f |
z-d |
H手 |
H電 |
D0 |
手動 Hand |
電動 Electric |
| 10 |
130 |
90 |
60 |
4 |
16 |
2 |
4-14 |
198 |
|
120 |
|
4.9 |
|
| 15 |
130 |
95 |
65 |
45 |
16 |
2 |
4-14 |
218 |
|
120 |
|
5.4 |
|
| 20 |
150 |
105 |
75 |
55 |
16 |
2 |
4-14 |
258 |
|
140 |
|
7 |
|
| 25 |
160 |
115 |
85 |
65 |
16 |
2 |
4-14 |
275 |
|
160 |
|
7.4 |
|
| 32 |
180 |
135 |
100 |
78 |
18 |
2 |
4-18 |
280 |
|
180 |
|
8.5 |
|
| 40 |
200 |
145 |
110 |
85 |
18 |
3 |
4-18 |
330 |
|
200 |
|
12.5 |
|
| 50 |
230 |
160 |
125 |
100 |
20 |
3 |
4-18 |
350 |
645 |
240 |
DZW101 |
16 |
50 |
| 65 |
290 |
180 |
145 |
120 |
22 |
3 |
8-18 |
400 |
690 |
280 |
DZW101 |
25 |
62 |
| 80 |
310 |
195 |
160 |
135 |
22 |
3 |
8-18 |
355 |
715 |
280 |
DZW151 |
30 |
67 |
| 100 |
350 |
230 |
190 |
160 |
24 |
3 |
8-23 |
415 |
770 |
320 |
DZW20 |
34.5 |
73 |
| 125 |
40 |
270 |
220 |
188 |
28 |
3 |
8-25 |
460 |
780 |
360 |
DZW30 |
89 |
127 |
| 15 |
480 |
300 |
250 |
218 |
30 |
3 |
8-25 |
510 |
875 |
400 |
DZW45 |
98 |
215 |
| 200 |
600 |
360 |
310 |
278 |
34 |
3 |
12-25 |
710 |
967 |
400 |
DZW60 |
180 |
322 |
| 250 |
650 |
425 |
370 |
332 |
36 |
3 |
12-30 |
786 |
|
450 |
|
446 |
|
| 300 |
750 |
485 |
430 |
390 |
40 |
4 |
12-30 |
925 |
|
500 |
|
654 |
|
| 公稱通徑DN Nominal diameter |
J41(H.Y)-40 J41W-40P J41W-40R J41Y-40I J941(H.Y)-40 J941W-40P J941W-40R J941Y-40I |
| 主要外形尺寸和連接尺寸(mm)Main external and connecting dimensions |
電動裝置 Electric dewice |
重量(kg) Weight |
| L |
D |
D1 |
D2 |
D6 |
b |
f |
f2 |
z-d |
H手 |
H電 |
D0 |
手動 Hand |
電動 Electric |
| 10 |
130 |
90 |
60 |
40 |
35 |
16 |
2 |
4 |
4-14 |
198 |
|
120 |
|
4.9 |
|
| 15 |
130 |
95 |
65 |
45 |
40 |
16 |
2 |
4 |
4-14 |
233 |
|
120 |
|
5.4 |
|
| 20 |
15 |
15 |
75 |
55 |
51 |
16 |
2 |
4 |
4-14 |
275 |
|
140 |
|
7 |
|
| 25 |
160 |
115 |
85 |
65 |
58 |
16 |
2 |
4 |
4-14 |
285 |
|
160 |
|
8.8 |
|
| 32 |
180 |
135 |
100 |
78 |
66 |
18 |
2 |
4 |
4-18 |
302 |
|
180 |
|
11.8 |
|
| 40 |
200 |
145 |
110 |
85 |
76 |
18 |
3 |
4 |
4-18 |
355 |
|
200 |
|
16.5 |
|
| 50 |
230 |
160 |
125 |
100 |
88 |
20 |
3 |
4 |
4-18 |
373 |
645 |
240 |
DZW101 |
24 |
61 |
| 65 |
290 |
180 |
145 |
120 |
110 |
22 |
3 |
44 |
8-18 |
408 |
690 |
280 |
DZW101 |
33 |
75 |
| 80 |
310 |
195 |
160 |
135 |
121 |
22 |
3 |
4 |
8-18 |
436 |
715 |
320 |
DZW201 |
44 |
84 |
| 100 |
350 |
230 |
190 |
160 |
15 |
24 |
3 |
4.5 |
8-23 |
480 |
770 |
360 |
DZW301 |
60 |
101 |
| 125 |
400 |
270 |
220 |
188 |
176 |
28 |
3 |
4.5 |
8-25 |
558 |
782 |
400 |
DZW45 |
89 |
207 |
| 150 |
480 |
300 |
250 |
218 |
204 |
30 |
3 |
4.5 |
8-25 |
611 |
875 |
400 |
DZW60 |
98 |
226 |
| 200 |
600 |
375 |
320 |
282 |
260 |
38 |
3 |
4.5 |
12-30 |
720 |
1160 |
400 |
DZW901 |
190 |
339 |
| 公稱通徑DN Nominal diameter |
主要外形尺寸和連接尺寸(mm)Main external and connecting dimensions |
電動裝置Electric dewice |
重量(kg)Weight |
| L |
D |
D1 |
D2 |
D6 |
b |
f |
f2 |
z-d |
H手 |
H電 |
D0 |
手動Hnad |
電動Electric |
| J41(H.Y)-64 J941(H.Y)-64 J41Y-64I J941Y-64I |
| 10 |
170 |
100 |
70 |
50 |
35 |
18 |
2 |
4 |
4-14 |
198 |
|
120 |
|
5.7 |
|
| 15 |
170 |
105 |
75 |
55 |
41 |
18 |
2 |
4 |
4-14 |
195 |
|
140 |
|
10 |
|
| 20 |
190 |
125 |
90 |
68 |
51 |
20 |
2 |
4 |
4-18 |
228 |
|
160 |
|
13 |
|
| 25 |
210 |
135 |
100 |
78 |
58 |
22 |
2 |
4 |
4-18 |
275 |
|
180 |
|
14.5 |
|
| 32 |
230 |
150 |
110 |
82 |
66 |
24 |
2 |
4 |
4-23 |
325 |
|
200 |
|
19 |
|
| 40 |
260 |
165 |
125 |
95 |
76 |
24 |
3 |
4 |
4-23 |
360 |
|
240 |
|
25 |
|
| 50 |
300 |
175 |
135 |
105 |
88 |
26 |
3 |
4 |
8-23 |
410 |
710 |
280 |
DZW10 |
35 |
64 |
| 65 |
340 |
200 |
160 |
130 |
110 |
28 |
3 |
4 |
8-23 |
450 |
750 |
320 |
DZW15 |
48 |
77 |
| 80 |
380 |
210 |
170 |
140 |
121 |
30 |
3 |
4 |
8-23 |
485 |
785 |
360 |
DZW30 |
56 |
88 |
| 100 |
430 |
250 |
200 |
168 |
150 |
32 |
3 |
4 |
8-25 |
537 |
837 |
400 |
DZW45 |
125 |
171 |
| 125 |
500 |
295 |
240 |
202 |
176 |
36 |
3 |
4 |
8-30 |
631 |
|
400 |
|
131 |
|
| 150 |
550 |
340 |
280 |
240 |
204 |
38 |
3 |
4 |
8-34 |
646 |
|
450 |
|
157 |
|
| 200 |
650 |
405 |
345 |
300 |
260 |
44 |
3 |
4 |
12-34 |
813 |
|
500 |
|
283 |
|
| J41(H.Y)-100 J941(H.Y)-100 J41Y-100I J941Y-100I |
| 10 |
170 |
100 |
70 |
50 |
35 |
20 |
2 |
4 |
4-14 |
198 |
|
120 |
|
6 |
|
| 15 |
170 |
105 |
75 |
55 |
40 |
20 |
2 |
4 |
4-14 |
202 |
|
140 |
|
11 |
|
| 20 |
190 |
125 |
90 |
68 |
51 |
22 |
2 |
4 |
4-18 |
228 |
|
160 |
|
13.2 |
|
| 25 |
210 |
135 |
100 |
78 |
58 |
24 |
2 |
4 |
4-18 |
250 |
|
180 |
|
14 |
|
| 32 |
230 |
150 |
110 |
82 |
66 |
24 |
2 |
4 |
4-23 |
326 |
|
220 |
|
15 |
|
| 40 |
260 |
165 |
125 |
95 |
76 |
26 |
3 |
4 |
4-23 |
359 |
|
240 |
|
29 |
|
| 50 |
300 |
195 |
145 |
112 |
88 |
28 |
3 |
4 |
4-25 |
414 |
710 |
280 |
DZW15 |
49 |
82 |
| 65 |
340 |
220 |
170 |
138 |
110 |
32 |
3 |
4 |
8-25 |
434 |
750 |
320 |
DZW201 |
65 |
104 |
| 80 |
380 |
230 |
180 |
148 |
121 |
34 |
3 |
4 |
8-25 |
547 |
785 |
400 |
DZW30 |
95 |
138 |
| 100 |
430 |
265 |
210 |
172 |
150 |
38 |
3 |
4.5 |
8-30 |
621 |
837 |
450 |
DZW45 |
115 |
243 |
| 125 |
500 |
310 |
250 |
210 |
176 |
42 |
3 |
4.5 |
8-34 |
732 |
|
450 |
|
149 |
|
| 150 |
550 |
350 |
290 |
250 |
204 |
46 |
3 |
4.5 |
12-34 |
84 |
|
500 |
|
310 |
|
| 200 |
650 |
430 |
360 |
312 |
260 |
54 |
3 |
4.5 |
12-41 |
925 |
|
550 |
|
590 |
|
| J41(H.Y)-160 |
| 15 |
170 |
110 |
75 |
52 |
40 |
24 |
2 |
4 |
4-18 |
148 |
|
140 |
|
12.2 |
|
| 20 |
190 |
130 |
90 |
65 |
51 |
26 |
2 |
4 |
4-23 |
156 |
|
160 |
|
15 |
|
| 25 |
210 |
140 |
100 |
72 |
58 |
28 |
2 |
4 |
4-23 |
125 |
|
180 |
|
17 |
|
| 32 |
230 |
165 |
115 |
85 |
66 |
30 |
2 |
4 |
4-25 |
200 |
|
200 |
|
21.4 |
|
| 40 |
260 |
175 |
125 |
92 |
76 |
32 |
3 |
4 |
4-27 |
231 |
|
240 |
|
32 |
|
| 50 |
300 |
215 |
165 |
132 |
88 |
36 |
3 |
4 |
8-25 |
262 |
|
250 |
|
52 |
|
| 65 |
340 |
245 |
190 |
152 |
110 |
44 |
3 |
4 |
8-30 |
303 |
|
320 |
|
69 |
|
| 80 |
380 |
260 |
205 |
168 |
121 |
46 |
3 |
4 |
8-30 |
341 |
|
400 |
|
98 |
|
| 100 |
430 |
300 |
240 |
200 |
150 |
48 |
3 |
4.5 |
8-34 |
485 |
|
450 |
|
119 |
|
【國標鑄鋼截止閥安裝注意事項】
1. 手輪、手柄操作的截止閥可安裝在管道的任何位置上。
2. 手輪、手柄及微動機構,不允許作起吊用。
3. 介質的流向應與閥體所示箭頭方向一致。
訂貨須知:
一、①國標鑄鋼截止閥產品名稱與型號②國標鑄鋼截止閥口徑③國標鑄鋼截止閥是否帶附件以便我們的為您正確選型。
二、若已經由設計單位選定正鋼閥門國標鑄鋼截止閥型號,請按國標鑄鋼截止閥型號直接向我司銷售部訂購。
三、當使用的場合非常重要或環境比較復雜時,請您盡量提供設計圖紙和詳細參數,由我們的正鋼閥門專家為您審核把關。