【氣動螺紋球閥概述】
三片式螺紋球閥體積小,是由三部分閥殼組成,由四只較長螺栓從兩端夾住中間閥體與閥球而成。其優點是維修拆卸時不用拆卸管路螺紋,而直接拆卸四只螺栓,閥體中間部分既可取出。工作原理也是通過氣動執行器90度的旋轉來帶動球體的旋轉以達到介質的流通與阻斷。執行器與閥體的直接連接減少了發生故障的機率。適用于輕工機械體積小空間窄的場合。
■防火、防靜電設計
■閥桿防爆出裝置
■閥球上設計有壓力平衡孔
■雙層閥桿填料與對壓碟型彈片裝置
◇氣動三片式球閥附件選項
回訊器:也叫限位開關,遠程反饋開關信號(防爆)
電磁閥:雙作用選二位五通、單作用選二位三通(防爆)
三聯件:可對氣源穩壓、過濾、氣缸加潤滑油
手輪機構:轉動手輪機構,可實現手動開、關閥
電氣定位器:輸入4~20mA信號,實現閥門調節功能
備注: 氣缸參數請另參考所選配的氣動執行器資料
【氣動螺紋球閥參數】
|
驅 動 |
壓縮空氣5~7bar(可帶手輪) |
|
公稱通經 |
15~100mm |
|
公稱壓力 |
1.6~6.3MPa |
|
適用溫度 |
PTFE:-29~+178℃ |
|
EK:-29~+250℃ |
|
連接方式 |
螺紋 |
|
閥結構 |
三塊式 |
|
閥體材質 |
316L、316、304、304L碳鋼 |
|
閥球材質 |
316L、316、304L、304 |
|
密封材質 |
PTFE 、EK、Y |
|
適用介質 |
氣體、水及油類等 |
|
可選附件 |
限位開關、定位器、電磁閥、減壓閥 |
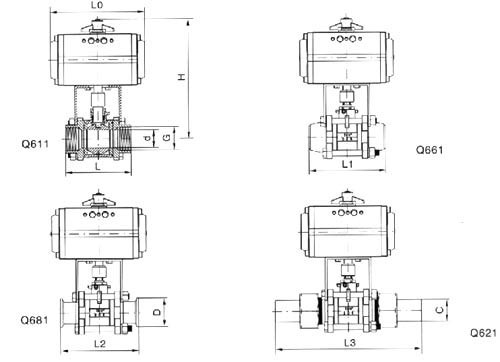
【氣動螺紋球閥產品結構圖】

【氣動螺紋球閥主要連接尺寸】
|
DN |
外形連接尺寸 Connecting Flange Size |
|
DN |
in |
d |
L |
G |
L1 |
L2 |
D |
L3 |
C |
L0 |
H |
|
15 |
1/2 |
15 |
73 |
1/2″ |
81 |
85 |
34 |
175 |
22 |
140/178 |
62/75 |
|
20 |
3/4 |
20 |
85 |
3/4″ |
92 |
100 |
50.5 |
190 |
28 |
140/178 |
62/75 |
|
25 |
1 |
25 |
91 |
1″ |
103 |
115 |
50.5 |
200 |
33 |
140/214 |
62/91 |
|
32 |
11/4 |
32 |
112 |
11/4″ |
123 |
130 |
50.5 |
230 |
40 |
164/214 |
75/91 |
|
40 |
11/2 |
40 |
120 |
11/2″ |
136 |
150 |
50.5 |
|
|
164/246 |
75/101 |
|
50 |
2 |
50 |
147 |
2″ |
155 |
180 |
64 |
|
|
190/295 |
91/112 |
|
65 |
21/2 |
65 |
168 |
21/2″ |
190 |
230 |
77.5 |
|
|
210/340 |
101/127 |
|
80 |
3 |
80 |
204 |
3″ |
220 |
260 |
91 |
|
|
247/398 |
112/139 |
【氣動螺紋球閥主要零部件材料】
|
序號 NO |
零件名稱 Accessory name |
材質 Material |
|
1 |
螺栓 Stud |
不銹鋼304 Stainless Steel304 |
|
2 |
接頭 Connector |
不銹鋼CF8、CF8M Stainless Steel CF8、CF8M |
|
3 |
閥座 Seat |
PTFE |
|
4 |
球體 ball |
不銹鋼304、316 Stainless Steel304、316 |
|
5 |
閥體 Body |
不銹鋼CF8、CF8M Stainless Steel CF8、CF8M |
|
6 |
螺母 Nut |
不銹鋼304 Stainless Steel304 |
|
7 |
閥桿 Stem |
不銹鋼304、316 Stainless Steel304、316 |
|
8 |
墊片 Gasket |
PTFE |
|
9 |
填料 Packing |
PTFE |
|
10 |
壓蓋 Gland |
不銹鋼304、316 Stainless Steel304、316 |
|
11 |
支架 Yoke |
不銹鋼CF8 Stainless Steel CF8 |
|
12 |
連接套 Connecting Set |
不銹鋼304、316 Stainless Steel304、316 |
訂貨須知:
一、①氣動螺紋球閥產品名稱與型號②氣動螺紋球閥口徑③氣動螺紋球閥是否帶附件以便我們的為您正確選型。
二、若已經由設計單位選定正鋼閥門氣動螺紋球閥型號,請按氣動螺紋球閥型號直接向我司銷售部訂購。
三、當使用的場合非常重要或環境比較復雜時,請您盡量提供設計圖紙和詳細參數,由我們的正鋼閥門專家為您審核把關。