【氣動三通法蘭球閥用途及特點】
1、結構緊湊、啟閉迅速、流道暢通、流體阻力小。
2、密封性能好:利用四面閥座材料聚四氟乙烯彈性變形實現無泄漏密封。
3、一閥多用:任一通口可用作入口而無泄漏,三通既可制成L型通口,也可制成T型通口。
4、維修方便:在系統卸壓后,無需拆下整個閥體就可進行檢查和維修。
5、泛適用于供水、石化、冶金、礦山、輕紡、能源、造紙、食品、鋼鐵等管路系統中對介質流向進行切換以及對介質的分流或混合流體。
【氣動三通法蘭球閥性能規范】
|
公稱通徑 DN(mm) |
15-200 |
|
公稱壓力 PN(MPa) |
1.6 |
2.5 |
4.0 |
|
公稱壓力 PS(MPa) |
強度試驗 |
2.4 |
3.8 |
6.0 |
|
密封試驗 |
1.8 |
2.8 |
4.4 |
|
材料 \ 材料代號 |
C |
P |
R |
|
主要零件 |
閥體 |
WCB |
ZG1Cr18Ni9Ti |
ZG1Cr18Ni12Mo2Ti |
|
球體 |
2Cr13 |
1Cr18Ni9Ti |
1Cr18Ni12MoTi |
|
閥桿 |
2Cr13 |
1Cr18Ni9Ti |
1Cr18Ni12MoTi |
|
密封圈 |
增強聚四氟乙烯 對位聚苯 |
|
填料 |
聚四氟乙烯 柔性石墨 |
|
適用工況 |
適用介質 |
水、蒸汽、油品 |
硝酸類 |
醋酸類 |
|
適用溫度 |
-28 ℃ -300 ℃ |
|
氣動裝置 |
型號 |
OBD 系列、 AW 系列等 |
|
氣源壓力 |
0.4-0.7MPa |
|
執行標準 |
設計制造 |
結構長度 |
法蘭尺寸 |
壓力溫度 |
試驗檢驗 |
|
GBT/12238 |
Gb12221 |
GB9113 |
GB/T13927 |
GB13927 |
【氣動三通法蘭球閥執行標準】
1、設計與制造:GB12237-89、API608、API 6D、JPI 7S-48、BS5351、DIN3357。
2、法蘭尺寸:JB/T74~90(JB74~90)、GB9112~9131、HGJ44~76、SH3406、ANSI B16.5、JIS B2212~2214、NF E29-211、DIN2543。
3、結構長度:GB12221-89、ANSI B16.10、JIS B2002、NF E29-305、DIN3202。
4、檢驗主試驗:JB/T 9092、API 598。
【氣動三通法蘭球閥介質流向原理】
三通球閥分L型和T型,介質流通方向見下圖。L型三通球閥適用于介質流向的切換,能使相互垂直的兩個通道連通:T型三通球閥適用于介質的分流、合流或流向切換,T型孔道可以使三個通道互相連通或使其中兩個通道連通,三通球閥一般采用兩個閥座結構,亦可根據用戶要求采用四閥座結構。

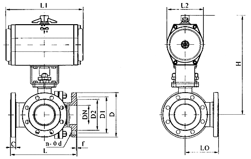
【氣動三通法蘭球閥產品結構圖】

【氣動三通法蘭球閥主要連接尺寸】
|
公稱壓力 PN |
公稱通徑 DN |
尺 寸(mm) |
|
L |
L0 |
D |
K |
d |
Y |
b |
z-do |
Hw |
Hd |
|
1.6MPa |
50 |
260 |
130 |
165 |
125 |
100 |
|
16 |
4-ф18 |
205 |
265 |
|
65 |
320 |
160 |
185 |
145 |
120 |
|
18 |
4-ф18 |
245 |
295 |
|
80 |
320 |
160 |
200 |
160 |
135 |
|
20 |
8-ф18 |
305 |
345 |
|
100 |
370 |
185 |
220 |
180 |
155 |
|
20 |
8-ф18 |
340 |
420 |
|
125 |
510 |
255 |
250 |
210 |
185 |
|
22 |
8-ф18 |
425 |
465 |
|
150 |
510 |
255 |
285 |
240 |
2'0 |
|
24 |
8-ф23 |
450 |
505 |
|
200 |
580 |
290 |
340 |
295 |
265 |
|
26 |
12-ф23 |
480 |
525 |
|
250 |
670 |
335 |
405 |
355 |
320 |
|
30 |
12-ф25 |
530 |
565 |
|
300 |
760 |
380 |
460 |
410 |
375 |
|
30 |
12-ф25 |
585 |
630 |
|
350 |
850 |
425 |
520 |
470 |
435 |
|
34 |
16-ф25 |
625 |
675 |
|
400 |
980 |
490 |
580 |
525 |
485 |
|
36 |
16-ф30 |
670 |
710 |
|
450 |
1080 |
540 |
640 |
585 |
545 |
|
40 |
20-ф30 |
705 |
770 |
|
500 |
1220 |
610 |
715 |
650 |
608 |
|
44 |
20-ф34 |
765 |
825 |
|
600 |
1360 |
680 |
840 |
770 |
718 |
|
48 |
20-ф41 |
840 |
945 |
|
700 |
1750 |
875 |
910 |
840 |
788 |
|
50 |
24-ф41 |
1050 |
1110 |
|
800 |
1850 |
925 |
1025 |
950 |
898 |
|
52 |
24-ф41 |
1125 |
1220 |
|
900 |
2050 |
1025 |
1125 |
1050 |
998 |
|
54 |
28-ф41 |
1260 |
1315 |
|
1000 |
2150 |
1075 |
1255 |
1170 |
1110 |
|
56 |
28-ф48 |
1325 |
1385 |
|
1200 |
2450 |
1225 |
1485 |
1390 |
1325 |
|
58 |
32-ф54 |
1395 |
1450 |
|
2.5MPa |
50 |
260 |
130 |
165 |
125 |
100 |
|
20 |
4-ф18 |
205 |
265 |
|
65 |
320 |
160 |
185 |
145 |
120 |
|
22 |
8-ф18 |
245 |
295 |
|
80 |
320 |
160 |
200 |
160 |
135 |
|
22 |
8-ф18 |
305 |
345 |
|
100 |
370 |
185 |
230 |
190 |
160 |
|
24 |
8-ф23 |
340 |
420 |
|
125 |
510 |
255 |
270 |
220 |
188 |
|
28 |
8-ф25 |
405 |
465 |
|
150 |
510 |
255 |
300 |
250 |
218 |
|
30 |
8-ф25 |
450 |
505 |
|
200 |
580 |
290 |
360 |
310 |
278 |
|
34 |
12-ф25 |
480 |
525 |
|
250 |
670 |
335 |
425 |
370 |
332 |
|
36 |
12-ф30 |
530 |
565 |
|
300 |
760 |
380 |
485 |
430 |
390 |
|
40 |
16-ф30 |
585 |
630 |
|
350 |
850 |
425 |
555 |
490 |
448 |
|
44 |
16-ф34 |
625 |
675 |
|
400 |
980 |
490 |
620 |
550 |
505 |
|
48 |
16-ф34 |
670 |
710 |
|
450 |
1080 |
540 |
670 |
600 |
555 |
|
50 |
20-ф34 |
705 |
770 |
|
500 |
1220 |
610 |
730 |
660 |
610 |
|
52 |
20-ф41 |
765 |
825 |
|
600 |
1360 |
680 |
845 |
770 |
718 |
|
56 |
20-041 |
840 |
945 |
|
700 |
1750 |
875 |
960 |
875 |
815 |
|
60 |
24-ф48 |
1050 |
1110 |
|
800 |
1850 |
925 |
1085 |
990 |
930 |
|
64 |
24-ф48 |
1125 |
1220 |
|
900 |
2050 |
1025 |
1185 |
1090 |
1025 |
|
66 |
28-ф54 |
1260 |
1315 |
|
1000 |
2150 |
1075 |
1320 |
1210 |
1140 |
|
68 |
28-ф58 |
1325 |
1385 |
|
1200 |
2450 |
1225 |
1520 |
1420 |
1350 |
|
72 |
32-ф58 |
1395 |
1450 |
|
4.0MPa |
50 |
260 |
130 |
165 |
125 |
100 |
88 |
20 |
8-ф18 |
245 |
285 |
|
65 |
320 |
160 |
185 |
145 |
120 |
110 |
22 |
8-ф18 |
265 |
315 |
|
80 |
320 |
160 |
200 |
160 |
135 |
121 |
22 |
8-ф18 |
320 |
365 |
|
100 |
370 |
185 |
235 |
190 |
160 |
150 |
24 |
8-ф23 |
355 |
465 |
|
125 |
510 |
255 |
270 |
220 |
188 |
176 |
28 |
8-ф25 |
425 |
495 |
|
150 |
510 |
255 |
300 |
250 |
218 |
204 |
30 |
8-ф25 |
470 |
535 |
|
200 |
580 |
290 |
375 |
320 |
282 |
260 |
38 |
12-ф30 |
480 |
565 |
|
250 |
670 |
335 |
450 |
385 |
345 |
313 |
42 |
12-ф34 |
530 |
605 |
|
300 |
760 |
380 |
515 |
450 |
408 |
364 |
46 |
16-ф34 |
585 |
675 |
|
350 |
850 |
425 |
580 |
510 |
465 |
422 |
52 |
16-ф34 |
625 |
705 |
|
400 |
980 |
490 |
660 |
585 |
535 |
474 |
58 |
16-ф41 |
670 |
745 |
|
450 |
1080 |
540 |
685 |
610 |
560 |
524 |
60 |
20-ф41 |
705 |
795 |
|
500 |
1220 |
610 |
755 |
670 |
612 |
576 |
62 |
20-ф48 |
765 |
855 |
|
600 |
1360 |
680 |
890 |
795 |
730 |
678 |
62 |
20-ф54 |
840 |
985 |
|
C1aSS150
|
2" |
260 |
130 |
152 |
120.5 |
92 |
|
16 |
傘φ19 |
205 |
265 |
|
2 1/2" |
320 |
160 |
178 |
139.5 |
105 |
|
18 |
4-ф19 |
245 |
295 |
|
3" |
320 |
160 |
190 |
152.5 |
127 |
|
19 |
4-ф19 |
305 |
345 |
|
4" |
370 |
185 |
229 |
190.5 |
157 |
|
24 |
8-ф19 |
340 |
420 |
|
5" |
510 |
255 |
254 |
216 |
186 |
|
24 |
8-ф22 |
425 |
465 |
|
6" |
510 |
255 |
279 |
241.5 |
216 |
|
26 |
8-ф22 |
450 |
505 |
|
8" |
580 |
290 |
343 |
298.5 |
270 |
|
29 |
8-ф22 |
530 |
525 |
|
10" |
670 |
335 |
406 |
362 |
324 |
|
31 |
12-ф25 |
630 |
565 |
|
12" |
760 |
380 |
483 |
432 |
381 |
|
32 |
12-ф25 |
680 |
630 |
|
14" |
850 |
425 |
533 |
476 |
413 |
|
35 |
12-ф29 |
625 |
675 |
|
16" |
980 |
490 |
597 |
540 |
470 |
|
37 |
16-ф29 |
670 |
710 |
|
18" |
1080 |
540 |
635 |
578 |
533 |
|
40 |
16-ф32 |
705 |
770 |
|
20" |
1220 |
610 |
699 |
635 |
584 |
|
43 |
20-ф32 |
765 |
825 |
|
24" |
1360 |
680 |
813 |
749.5 |
692 |
|
48 |
20。ф35 |
840 |
945 |
|
28" |
1750 |
875 |
927 |
864 |
800 |
|
71 |
28-ф35 |
1050 |
1110 |
|
32" |
1850 |
925 |
1060 |
978 |
914 |
|
81 |
28-ф41 |
1125 |
1220 |
|
36" |
2050 |
1025 |
1168 |
1086 |
1022 |
|
90 |
32-ф41 |
1260 |
1315 |
|
40" |
2150 |
1075 |
1289 |
1200 |
1124 |
|
90 |
36-ф41 |
1325 |
1385 |
|
48" |
2450 |
1225 |
1511 |
1422 |
1359 |
|
108 |
44-ф41 |
1395 |
1450 |
訂貨須知:
一、①氣動三通法蘭球閥產品名稱與型號②氣動三通法蘭球閥口徑③氣動三通法蘭球閥是否帶附件以便我們的為您正確選型。
二、若已經由設計單位選定正鋼閥門氣動三通法蘭球閥型號,請按氣動三通法蘭球閥型號直接向我司銷售部訂購。
三、當使用的場合非常重要或環境比較復雜時,請您盡量提供設計圖紙和詳細參數,由我們的正鋼閥門專家為您審核把關。