不銹鋼夾套保溫球閥
【產品特點】
該產品具有良好的保溫保冷特性,且閥門的通徑與管徑一致,同時又能有效降低管路中介質熱量損失。主要用于石油、化工、冶金、制藥、食品等各類系統中,以輸送常溫下會凝固的高粘度介質。
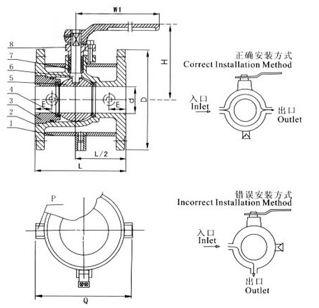
由于采用整體式結構,因而保溫球閥比一般球閥何種更小,重量更輕,且無外漏,密封性能良好,夾套采用碳素鋼管焊接比鑄造的更加耐壓牢固。
【技術規范】

| 設計標準 |
ASME B 16.34 GB/T12224 |
| 結構長度 |
ASME B 16.10 GB/T12221 |
| 連接法蘭 |
ASME B 16.5、JB/T 79 |
| 驅動方式 |
手動、電動、氣動 |
| 試驗和檢驗 |
JB/T9092 API 598 |
| 適用介質 |
重油、膠類等易凝固介質 |
注:系列閥門連接法蘭尺寸可根據用戶要求設計制造。
【主要零件材質表】
| 序號 |
零件名稱 |
材質 |
| GB |
ASTM |
| 1 |
夾套 |
25 |
105 |
| 2 |
閥座 |
WCB |
A216-WCB |
| 3 |
閥體 |
25 |
A105 |
| 4 |
密封圈 |
PTFE、對位聚苯 |
| 5 |
球體 |
|
|
| 6 |
閥桿 |
1Cr13 |
A247-410 |
| 7 |
填料 |
柔性石墨 |
| 8 |
填料壓蓋 |
WCB |
A216-WCB |
注:系列閥門主要零部件及密封面的材質可根據實際工況條件或用戶特殊要求設計選用。
【主要尺寸參數】
| 公稱通徑(DN) |
d |
L |
D |
E |
Q |
H |
W |
管螺紋 |
| (mm) |
(in) |
(mm) |
(in) |
P |
| 20 |
3/4" |
19 |
117 |
40 |
1 1/2" |
58.5 |
147 |
101 |
170 |
G3/4" |
| 25 |
1" |
25 |
127 |
50 |
2" |
62.5 |
156 |
106 |
170 |
G3/4" |
| 40 |
1 1/2" |
38 |
165 |
65 |
2 1/2" |
63.5 |
181 |
125 |
250 |
G3/4" |
| 50 |
2" |
51 |
178 |
80 |
3" |
68 |
218 |
135 |
250 |
G3/4" |
| 80 |
3" |
76 |
229 |
150 |
6" |
82 |
275 |
193 |
350 |
G3/4" |
| 100 |
4" |
102 |
254 |
200 |
8" |
83 |
300 |
265 |
420 |
G3/4" |
| 150 |
6" |
152 |
292 |
250 |
10" |
95 |
403 |
355 |
1000 |
G3/4" |
| 200 |
8" |
203 |
330 |
300 |
12" |
100 |
495 |
410 |
1300 |
G3/4" |
| 備注 |
法蘭尺寸請按對應的通徑參閱《主要外型及連接尺寸表》 |