『渦輪焊接式硬密封蝶閥』專業生產廠家,由正鋼自主生產的【蝶閥】質量可靠、價格合理、售后服務完善。『渦輪焊接式硬密封蝶閥』適用于各種輕重工業及樓宇管道。正鋼品質,全球共享!【蝶閥】廣泛應用于:化工、石化、石油、造紙、采礦、電力、液化氣、食品、制藥、給排水、市政、機械設備配套、電子工業,城建等領域。
概述
|
采用精密的J形彈性密封圈和三偏心多層次金屬硬密封結構,被廣泛用于介質溫度≤425℃的冶金、電力、石油化工、以及給排水和市政建設等工業管道上,作調節流量和載斷流體使用。該閥采用三偏心結構,閥座與碟板密封面均采用不同硬度和不銹鋼制作,具有良好的耐腐蝕性,使用壽命長,本閥軍郵雙向密封功能,產品符合閥門壓力試驗標準。
特點 |
1、采用三偏心蝶閥設計使閥門為高溫、高壓、防火應用中氣泡級密封的理想硬密封蝶閥。
2、此閥無法蘭,對管道和保溫包扎帶來了很大的方便和美觀。
主要技術參數
|
公稱通經DN(mm) |
DN(100~1200)mm、in4~48 |
|
公稱壓力PN(MPa) |
強度試驗(1.5×PN)密封試驗(1.1×PN) |
|
適用溫度 |
碳鋼:-29℃~425℃不銹鋼:-40℃~650℃ |
|
適用介質 |
水、蒸汽、熱水、油品 |
|
驅動方式 |
蝸輪傳動、電動、氣動、液動 |
|
壓力等級 |
ANSI150Lb磅級/PN25 |
|
焊接標準 |
GB12224、ANSIB16、25、DIN2559 |
主要零部件材料
|
零件名稱 |
材料 |
|
閥體 |
碳鋼、不銹鋼、鉻鋁鋼 |
|
蝶板 |
碳鋼、合金鋼、不銹鋼 |
|
閥座 |
3不銹鋼、鈷基硬質合金 |
|
軸套 |
不銹鋼 |
|
閥桿 |
不銹鋼、特殊材料 |
|
填料 |
柔性石墨 |
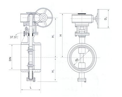
BYD363H/663H/963H/-10/16/25/40/C、P、R對悍式硬密封蝶閥連接尺寸

|
公稱通經 |
主要尺寸 |
公稱通經 |
主要尺寸 |
|
in |
DN(mm) |
L |
H1 |
H |
in |
DN(mm) |
L |
H1 |
H |
|
4 |
100 |
190 |
270 |
370 |
18 |
450 |
330 |
535 |
820 |
|
5 |
125 |
200 |
295 |
390 |
20 |
500 |
350 |
560 |
900 |
|
6 |
150 |
210 |
308 |
416 |
24 |
600 |
390 |
630 |
980 |
|
8 |
200 |
230 |
370 |
530 |
28 |
700 |
430 |
670 |
1100 |
|
10 |
250 |
250 |
450 |
580 |
32 |
800 |
470 |
800 |
1300 |
|
12 |
300 |
270 |
465 |
630 |
36 |
900 |
510 |
850 |
1370 |
|
14 |
350 |
290 |
475 |
595 |
40 |
1000 |
550 |
880 |
1480 |
|
16 |
400 |
310 |
505 |
755 |
48 |
1200 |
630 |
1000 |
1690 |
渦輪焊接式硬密封蝶閥產品承諾:
正鋼閥門一貫奉行誠信為企業的靈魂。本著提供高品質產品,竭誠為用戶服務的宗旨的經營原則,公司以滿足顧客需要為宗旨,愿意通過自己的努力共同促進雙方的合作,為顧客提供優質的產品和優良的服務,正鋼實行公開服務承諾。
1.正鋼所提供的產品從供貨之日起,在正常使用情況下,質保期為12-24個月,在質保期內,一律實行:保質、保量、包修、包換等。同時還提供終身免費咨詢服務。
2.用戶在運輸、裝卸、儲存、擅自拆卸產品或養護不當、自然災害等原因造成產品損壞、使用不當或在保修期外,本公司對產品實行終身技術服務,只收取配件的成本費。
3.用戶如發現產品質量問題或服務抱怨,正鋼收到用戶函電后,根據路程的遠近距離,本市城區2小時到達現場,外區域遇重大問題保證在24小時趕到現場并及時給予答復解決,確保用戶達到滿意。
4.公司承諾質保期滿后以最合理優惠價格快速地提供保養服務,并應買方要求派技術人員赴買方現場進行技術服務。
5.公司貨源充足,品種齊全,配件豐富,應急預案和措施嚴密,可以及時解決用戶臨時性的緊急需求。
6.產品使用過程中,用戶對產品質量、使用性能、改進意見或其他建設性建議等方面的反饋,正鋼會積極采納并改進,以便進一步提高產品質量,更好地回報用戶。
渦輪焊接式硬密封蝶閥訂貨說明:
1.產品選型:如有指定型號標準,請直播銷售熱線咨詢價格,了解詳情!
2.技術支持:如沒有指定產品型號規格,請把工況要求、設計圖紙、技術規范,發送傳真或郵件至本公司。
3.參數說明:請提供通徑(DN),公稱壓力(Mpa),溫度(℃),連接方式(螺紋、法蘭、對夾等),驅動方式。
4.驅動方式:手動、蝸輪、氣動、電動等。
5.產品標準:國標GB、日標JIS、美標ANSI、德標DIN等。
6.報價確認:本公司提供報價清單及技術標準說明至客戶確認,在雙方技術各方面確認后再擬定合同。
7.質量標準:質量要求、質量標準、供方對質量負責的條件按國家有關質量標準。