【單法蘭取壓針型閥性能規范】
設計制造:GB/T12224-1989,GB/T12235-1989;
連接形式:法蘭連接;
結構特征:錐面密封;
閥門檢驗和試驗:GB/T13927-1992。
【單法蘭取壓針型閥試驗標準(單位Unit:MPa)】
|
試驗項目TESTITEM |
壓力值PRESSURE VALVE |
|
公稱壓力 Nominal Pressure |
2.5 |
|
殼體試驗 Shell Test |
3.7 |
|
密封試驗 Test |
2.75 |
|
氣壓試驗 Air Pressure Test |
0.9 |
|
適用溫度 Suitable Temperatue |
≤180℃ |
|
適用介質 Suitable Medium |
水、蒸汽、油品等Water,Steam,Oilgoods |
【單法蘭取壓針型閥零部件材料】
|
型號 TYPE |
閥體 BODY |
接頭 TIE-IN |
閥桿 VALVE HANDLE |
螺帽 SCREW CAP |
填料 PACKING |
|
JJ·BY1-25 |
20# |
20# |
2Cr13 |
20# |
柔性石墨、四氟 Leslble graphite |
|
JJ·BY1-25P |
304SS |
304SS |
304SS |
304SS |
柔性石墨、四氟 Leslble graphite |
|
JJ·BY1-25R |
316SS |
316SS |
316SS |
316SS |
柔性石墨、四氟 Leslble graphite |
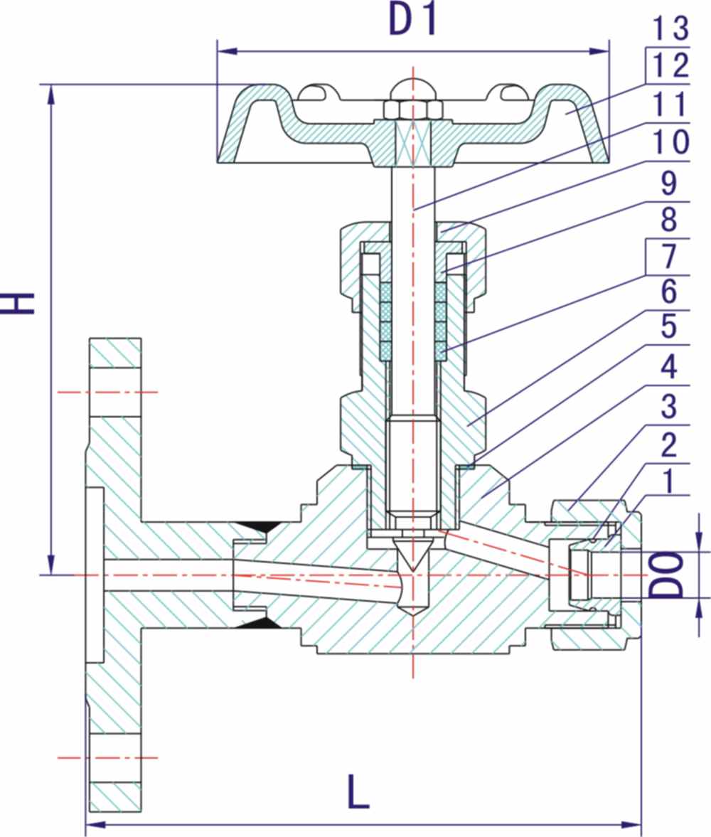
【單法蘭取壓針型閥結構圖】

【單法蘭取壓針型閥連接尺寸】
|
規格 SPECIF ICATION |
Do |
D1 |
L |
H |
|
DN6 |
Φ12 |
60 |
105 |
87 |
|
DN10 |
Φ14 |
70 |
110 |
90 |
正鋼溫馨提示:
1、請在訂貨時提供詳細型號、壓力、口徑、材質、介質、溫度、交貨地、交貨時間。
2、對針型閥的連接方式:可選用螺紋(內螺紋或外螺紋)法蘭式,焊接式等。
3、正鋼專業為您打造適合您的針型閥產品,歡迎你的來電(☏:400-6868-625)或瀏覽正鋼官方網站http://www.cbazwhy.cn