氣動高溫截止閥產品介紹:
J641Y氣動高溫截止閥采用雙作用氣缸,利用上腔進氣或者下腔進氣來遠距離控制截止閥,閥門操作方便、靈活。氣缸使用介質:壓縮空氣,氮氣。氣動高溫截止閥結構簡單、制造和維護方便;工作行程小,啟閉時間短;關閉體(閥瓣)與閥座密封面采用錐面密封,關閉力小,耐沖刷,密封可靠。閥座可為更換式閥座,可任意組合與關閉件密封面材料的配對,以滿足工況要求,延長使用壽命。
氣動高溫截止閥結構特點:
1、選材考究,符合國內、外相關標準,結構合理,造型美觀。
2、閥瓣、閥座密封面采用鐵基合金堆焊或司太立(Stellite)鈷基硬質合金堆焊而成,耐磨、耐高溫、耐腐蝕、抗擦傷性能好,使用壽命長。
4、閥桿經調質及表面氮化處理,有良好的抗腐蝕性和抗擦傷性。
5、可采用各種配管法蘭標準及法蘭密封面型式,滿足各種工程需要及用戶要求。
6、閥體材料品種齊全,填料、墊片可根據實際工況或用戶要求合理選配,能適用于各種壓力、溫度及介質工況。
7、倒密封采用螺紋連接密封座或本體堆焊奧氏體不銹鋼而成,密封可靠,更換填料可在不停機情況下進行,方便快捷,不影響系統運行。
氣動高溫截止閥執行標準:
設計與制造 GB/T1223
連接端尺寸 結構長度 GB/T12221
法蘭尺寸 JB/T79
檢驗與試驗 JB/T9092
氣動高溫截止閥主要零件材料:
| 閥體 |
閥蓋 |
閥瓣 |
密封圈 |
閥桿 |
填料 |
適用介質 |
適用溫度 (≤℃) |
| WCB |
WCB+D507MO |
D577 |
2Crl3 |
柔性石墨 |
水、油品、蒸汽 |
425 |
| ZGlCrl8Ni9Ti |
0Crl8Ni9Ti Stellite12 |
Stellite6 |
lCrl8Ni9Ti |
PTFE |
硝酸類 |
200 |
| ZGlCrl8Ni2Mo2Ti |
CF8M Stellite12 |
lCrl8Ni2Mo2Ti |
lCrl8Ni2Mo2Ti |
PTFE |
磷酸類、 堿類、混酸 |
200 |
| ZG00Crl7Nil4M02 |
CF3M Stellite12 |
Stel1ite6 |
316L |
PTFE |
磷酸類、 尿素、甲銨液 |
200 |
|
| ZGlCr5MO |
ZGlCr5MO Stellite12 |
Stel1ite6 |
25Cr2Mo1VA |
柔性石墨 |
水、油品、蒸汽 |
550 |
|
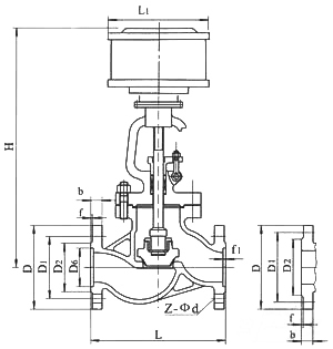
氣動高溫截止閥產品結構圖:


氣動高溫截止閥主要外形尺寸、連接尺寸:
| 公稱壓力 PN(MPa) |
公稱通徑 DN(mm) |
標準值 |
參考值 |
| L |
D |
D1 |
n2 |
D6 |
b |
f |
f1 |
Z-φd |
L1 |
H |
| 1.6 |
50 |
230 |
160 |
125 |
100 |
|
16 |
|
|
4-φ18 |
185 |
645 |
| 65 |
290 |
180 |
145 |
120 |
|
18 |
3 |
|
4-φ18 |
232 |
690 |
| 80 |
310 |
195 |
160 |
135 |
|
20 |
3 |
|
8-φ18 |
232 |
715 |
| 100 |
350 |
215 |
180 |
155 |
|
20 |
3 |
|
8-φ18 |
232 |
770 |
| 125 |
400 |
254 |
210 |
185 |
|
22 |
3 |
|
8-φ18 |
283 |
780 |
| 150 |
480 |
280 |
240 |
210 |
|
24 |
3 |
|
8-φ23 |
283 |
810 |
| 200 |
600 |
335 |
295 |
265 |
|
26 |
3 |
|
12-φ23 |
283 |
967 |
| 250 |
622 |
405 |
355 |
320 |
|
30 |
3 |
|
12-φ25 |
283 |
1143 |
| 300 |
698 |
460 |
410 |
375 |
|
30 |
4 |
|
12-φ25 |
283 |
1292 |
| 2.5 |
50 |
230 |
160 |
125 |
100 |
|
20 |
3 |
|
4-φ18 |
185 |
645 |
| 65 |
290 |
180 |
145 |
120 |
|
22 |
3 |
|
8-φ18 |
232 |
690 |
| 80 |
310 |
195 |
160 |
135 |
|
22 |
3 |
|
8-φ18 |
232 |
715 |
| 100 |
350 |
230 |
190 |
160 |
|
24 |
3 |
|
8-φ23 |
232 |
770 |
| 125 |
400 |
270 |
220 |
188 |
|
28 |
3 |
|
8-φ25 |
283 |
780 |
| 150 |
480 |
300 |
250 |
218 |
|
30 |
3 |
|
8-φ25 |
283 |
810 |
| 200 |
600 |
360 |
310 |
278 |
|
34 |
3 |
|
12-φ25 |
283 |
967 |
| 250 |
622 |
425 |
370 |
332 |
|
36 |
3 |
|
12-φ30 |
283 |
1143 |
| 300 |
698 |
485 |
430 |
390 |
|
40 |
4 |
|
16-φ30 |
283 |
1292 |
| 4.0 |
50 |
230 |
160 |
125 |
100 |
88 |
20 |
3 |
4 |
4-φ18 |
185 |
645 |
| 65 |
290 |
180 |
145 |
120 |
110 |
22 |
3 |
4 |
8-φ18 |
232 |
690 |
| 80 |
310 |
195 |
160 |
135 |
121 |
22 |
3 |
4 |
8-φ18 |
232 |
715 |
| 100 |
350 |
230 |
190 |
160 |
150 |
24 |
3 |
4.5 |
8-φ23 |
232 |
770 |
| 125 |
400 |
270 |
220 |
188 |
176 |
28 |
3 |
4.5 |
8-φ25 |
283 |
782 |
| 150 |
480 |
300 |
250 |
218 |
204 |
30 |
3 |
4.5 |
8-φ25 |
283 |
875 |
| 200 |
600 |
375 |
320 |
282 |
260 |
38 |
3 |
4.5 |
12-φ30 |
283 |
1160 |
氣動高溫截止閥產品承諾:
正鋼閥門一貫奉行誠信為企業的靈魂。本著提供高品質產品,竭誠為用戶服務的宗旨的經營原則,公司以滿足顧客需要為宗旨,愿意通過自己的努力共同促進雙方的合作,為顧客提供優質的產品和優良的服務,正鋼實行公開服務承諾。
1.正鋼所提供的產品從供貨之日起,在正常使用情況下,質保期為12-24個月,在質保期內,一律實行:保質、保量、包修、包換等。同時還提供終身免費咨詢服務。
2.用戶在運輸、裝卸、儲存、擅自拆卸產品或養護不當、自然災害等原因造成產品損壞、使用不當或在保修期外,本公司對產品實行終身技術服務,只收取配件的成本費。
3.用戶如發現產品質量問題或服務抱怨,正鋼收到用戶函電后,根據路程的遠近距離,本市城區2小時到達現場,外區域遇重大問題保證在24小時趕到現場并及時給予答復解決,確保用戶達到滿意。
4.公司承諾質保期滿后以最合理優惠價格快速地提供保養服務,并應買方要求派技術人員赴買方現場進行技術服務。
5.公司貨源充足,品種齊全,配件豐富,應急預案和措施嚴密,可以及時解決用戶臨時性的緊急需求。
6.產品使用過程中,用戶對產品質量、使用性能、改進意見或其他建設性建議等方面的反饋,正鋼會積極采納并改進,以便進一步提高產品質量,更好地回報用戶。
氣動高溫截止閥訂貨說明:
1.產品選型:如有指定型號標準,請直播銷售熱線咨詢價格,了解詳情!
2.技術支持:如沒有指定產品型號規格,請把工況要求、設計圖紙、技術規范,發送傳真或郵件至本公司。
3.參數說明:請提供通徑(DN),公稱壓力(Mpa),溫度(℃),連接方式(螺紋、法蘭、對夾等),驅動方式。
4.驅動方式:手動、蝸輪、氣動、電動等。
5.產品標準:國標GB、日標JIS、美標ANSI、德標DIN等。
6.報價確認:本公司提供報價清單及技術標準說明至客戶確認,在雙方技術各方面確認后再擬定合同。
7.質量標準:質量要求、質量標準、供方對質量負責的條件按國家有關質量標準。